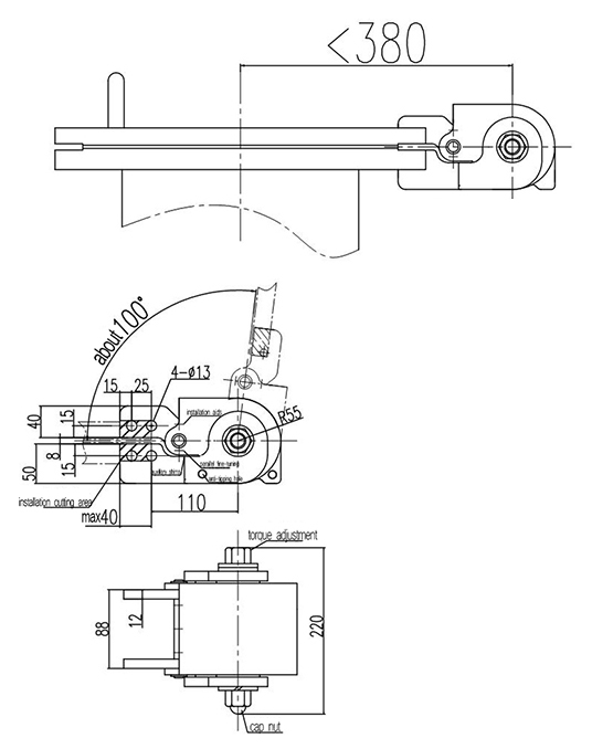
Diagrama de instalación

Descripción del parámetro
Peso: 22-42 kg
Rango de par: 8.4-16 kg · m
Diámetro: φ540 mm
Instrucciones de instalación
1 、 Confirme que la brida de la orilla y la cubierta de la orilla están al margen mínimo, y mida la distancia mínima entre la cubierta y la base.
2 、 escriba y corte la pieza de conexión del equilibrador de acuerdo con las dimensiones medidas. Corte los agujeros de montaje por la mitad a la distancia máxima de corte (ilustrado).
3 、 Inserte el equilibrador de corte en la orilla, soldadura por puntos para la resistencia.
4 、 Desatornille la tuerca de la tapa y desactive el otro lado del trinquete de la mordida, abra la cubierta a la posición máxima, gire la tuerca del trinquete en la dirección de la cubierta abierta (generalmente gire 4 dientes primero) para aumentar el estrés previo, y en el estado preestido presione la tuerca de la tapa para hacer la mordedura del trecho. Cierre la cubierta de la orilla en un estado protegido para que permanezca fácilmente con la brida de la orilla de la orilla entre 10 ° -20 ° (si no puede mantener la cubierta y la brida fácilmente entre 10 ° -20 ° Repita la operación anterior para ajustar el número de dientes giratorios), continúe presionando la tuerca de la tapa (1/4 giro) para ajustar el tetrafluoro.
5 、 soldadura de resistencia. El material del balance es S30408 Tenga en cuenta la selección de consumibles de soldadura.
6 、 Una vez que la cubierta de la orilla está completamente abierta y los agujeros anti-punta están equipados con los pernos apropiados, afloje los pernos auxiliares de montaje y retire las juntas auxiliares. Los pernos se pueden ajustar paralelos a la situación para lograr los mejores resultados.
Nota:
1 、 Para la instalación no horizontal, mueva la cubierta de la orilla hacia arriba en una pequeña cantidad e instalación, esto reducirá la cantidad de desalineación.
2 、 Haga coincidir la placa de conexión con los agujeros y dimensiones que se muestran al extender la instalación. Se puede soldar o atornillarse directamente (materiales especiales).
RELATED
RELATED
RELATED
RELATED
Este sitio web utiliza cookies para garantizar que obtenga la mejor experiencia en nuestro sitio web.