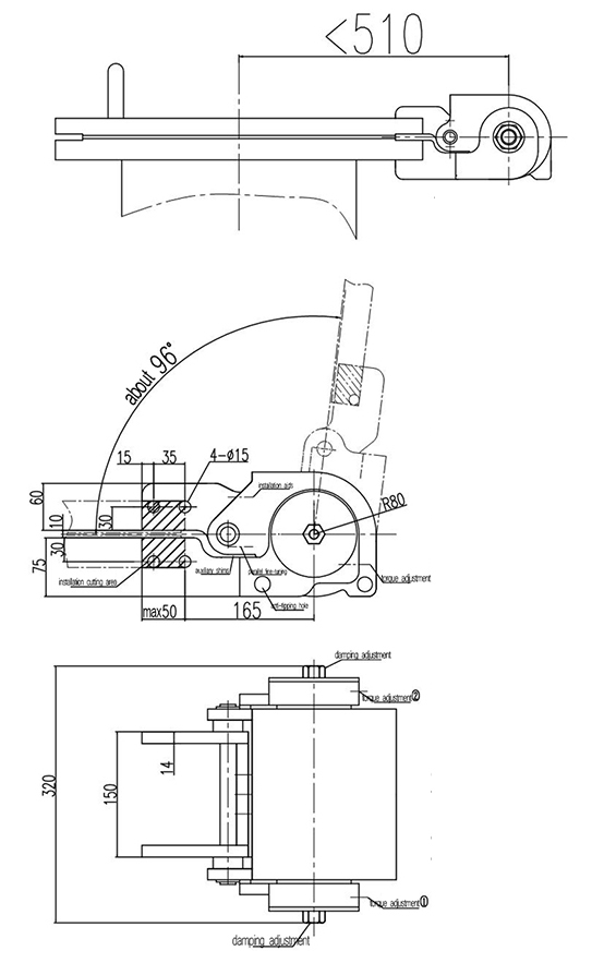
Diagrama de instalación

Descripción del parámetro
Peso: 80-116 kg
Rango de par: 41-59 kg · m
Diámetro: φ690 mm
Instrucciones de instalación
1 、 Confirme que la brida de la orilla y la cubierta de la orilla están al margen mínimo, y mida la distancia mínima entre la cubierta y la base.
2 、 escriba y corte la pieza de conexión del equilibrador de acuerdo con las dimensiones medidas. Corte los agujeros de montaje por la mitad a la distancia máxima de corte (ilustrado).
3 、 Retire las cubiertas laterales izquierda y derecha, abra la cubierta a su posición máxima en un estado protegido, atornille los pernos de la parte superior del alambre del ajuste del par 1 (generalmente los pernos de la parte superior del cable y la placa de la media luna continúan cubriéndose en 5 mm después del contacto) para aumentar la fuerza de pretensado. Cierre la cubierta de la cara en un estado protegido para permitirle descansar fácilmente con la brida de la orilla de la orilla entre 10 ° -20 ° (si no es posible mantener la cubierta y la brida que descansa fácilmente entre 10 ° -20 ° Repita la operación anterior: ajuste la distancia de la parte superior de seda. Cuando se ha completado el ajuste de par 1, el ajuste de torque 2 se puede utilizar), vuelva a colocar la placa lateral y la placa de la placa de la placa de ptfe y el ajuste del par de la cubierta del par.
4 、 Soldadura de resistencia. El material del equilibrador es s30408 nota el
Selección de consumibles de soldadura.
5 、 Una vez que la cubierta de la orilla está completamente abierta y los agujeros anti-punta están equipados con los pernos apropiados, afloje los pernos auxiliares de montaje y retire las juntas auxiliares. Los pernos se pueden ajustar paralelos a la situación para lograr los mejores resultados.
Nota:
1 、 Para la instalación no horizontal, mueva la cubierta de la orilla hacia arriba en una pequeña cantidad e instalación, esto reducirá la cantidad de desalineación.
2 、 Haga coincidir la placa de conexión con los agujeros y dimensiones que se muestran al extender la instalación. Se puede soldar o atornillarse directamente (materiales especiales).
RELATED
RELATED
RELATED
RELATED
Este sitio web utiliza cookies para garantizar que obtenga la mejor experiencia en nuestro sitio web.